itthon > Termékek > Lézeres távolságmérő modul > 1535 nm-es lézeres távolságmérő modul > 7 km-es szembiztonsági lézer-távolság modul (LRF)
7 km-es szembiztonsági lézer-távolság modul (LRF)
  • 7 km-es szembiztonsági lézer-távolság modul (LRF)7 km-es szembiztonsági lézer-távolság modul (LRF)

7 km-es szembiztonsági lézer-távolság modul (LRF)

Az STA-B0710X egy emberi szembiztonsági lézer távolságmérési modul, amely felismeri a cél távolságát, és soros kommunikációval továbbítja a mért távolságot a felső számítógéphez. Láthatóság ≥ 15 km, cél reflexiós ≥ 0,3, páratartalom ≤ 80%, a jármű (2,3 m × 2,3 m NATO -cél) távolság ≥7km; építési célok max. ≥10 km.

Kérdés küldése

termékleírás
Fő funkciók

(1) egyetlen és folyamatos tartomány;
(2) a lézertartomány -parancsokra való válaszadás, és a stop parancs szerint bármikor abbahagyhatja;
(3) kimeneti távolsági adatok és állapotinformációk impulzusonként egyszer a távolság mérése során;
(4) be tudja jelenteni az átadott lézerimpulzusok kumulatív számát (nincs áramlás elvesztése);
(5) távolságválasztás, első és hátsó célpont;
(6) Önteszt funkció.

Termék Bevezetés

A B0710X Laser RangeRinder modul egy katonai impulzusos lézer távolság, amelyet olyan alkalmazási forgatókönyvekhez terveztek, mint például repülőgépek, pilóta nélküli légi járművek, tartályok és hatókör. Kis méretű, könnyű, alacsony energiafogyasztással, stabil teljesítménygel, hosszú mérési távolsággal és hosszú élettartammal, emberi szembiztonsággal és egyéb előnyeivel rendelkezik, fontos technikai berendezés a termékcélok pontosságának javításához.

Termékteljesítmény-index a B0710X szembiztonsági LRF modulhoz

Tétel Műszaki paraméter Oktatás
Modell STA-B0710X
Működő hullámhossz 1535 ± 5nm
Szembiztonság 1. osztály (IEC 60825-1)
Fogadó rekesz Φ33 mm
Kibocsátási rekesz Φ14 mm
Távolsági képesség 50 m-10 km
Hatótávolság ≥14000 m Maximális tartomány, reflexió: 0,9, megfigyelő láthatósága 25 km
≥10000 m Építési célok, reflexió: 0,6, megfigyelő láthatósága 25 km
≥7000 m NATO -cél
≥4500 m Élő cél
≥1500 m UAV -cél
Mini hatótávolság 50 méter
Többcélú észlelés Legfeljebb 3 cél
Pontosság ± 1m 3D
Távolság 1 ~ 10Hz -es állítható
Pontossági ráta ≥98%
Vakriasztási gyakoriság 1%
Eltérési szög ≤0,3mrád
Kommunikációs felület RS422 A TTL/RS232 interfész testreszabható
Feszültség 9 ~ 32 V A bemeneti feszültség a követelmények szerint testreszabható
Dolgozó erő ≤3w (@10Hz) Normál hőmérsékleti vizsgálat
Csúcsteljesítmény ≤5w Normál hőmérsékleti vizsgálat
Mechanikai sokk 75 g, 1ms
Üzemi hőmérséklet -40 ℃~+60 ℃
Tárolási hőmérséklet -45 ℃~+70 ℃
Megbízhatóság MTBF ≥ 1500H
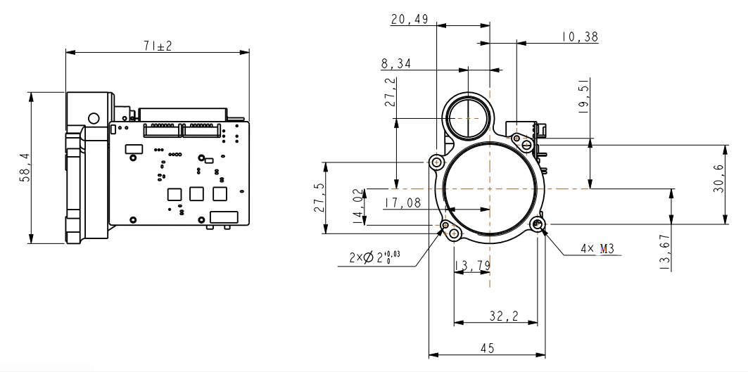
Méret ≤73 × 45 × 59 mm
Súly ≤133 g
Fő funkció Első és utolsó céltartomány, többcélú tartomány, távolság szelektivitás

Megjegyzések:

1) NATO célméret 2,3 m × 2,3 m; Az emberi célméret 0,5 m × 1,7 m; UAV célméret 0,2 m × 0,3 m; Reflectivity 30%, a megfigyelő láthatósága ≥ 15km

Szerkezeti telepítő felület



Külső felület

Csap Meghatározás Funkció Jegyzet
1 Rx+ RS422 vevő + Kék
2 Rx- RS422 vevő - Zöld
3 Tx- RS422 átvitel - Lila
4 TX+ RS422 átvitel + Sárga
5 GND Kommunikációs földhuzal Fehér
6 Vac Tápegység + Piros
7 GND Tápegység - Fekete
8 PWN és / Hamu

Környezeti alkalmazkodóképesség

a) Munkahőmérséklet : -40 ℃~+60 ℃。
b) Tárolási hőmérséklet : -45 ℃~+70 ℃。
C) Véletlenszerű rezgés: 15 ~ 2000Hz, 3 irány. A specifikus tesztfeltételeket az 1. táblázat mutatja.

1. táblázat véletlenszerű rezgésvizsgálati feltételek

Sorszám Frekvenciatartomány (Hz) Gyorsító spektrális sűrűség (G2/Hz) Rezgési idő (perc)
1 15 ~ 190 0.01 Rezgés minden irányban 15 perc alatt
2 190 ~ 210 0.1
3 210 ~ 380 0.01
4 380 ~ 420 0.025
5 420 ~ 2000 0.01

OEM/ODM tartomány modulok és egyedi megoldások

A B0710X rendszerintegrátorok számára készült, amelyek kényelmes, nagy teljesítményű és kompakt lézeres megoldást keresnek. Megbízható teljesítményt nyújt számos alkalmazásban.
Nagyon kicsi, ultra könnyű, alacsony energiafogyasztással rendelkezik, és nagy távolságra mérhető. Kézi eszközökhöz (termikus képalkotás), fegyvert szerelő alkalmazásokhoz, hordozható rendszerekhez és könnyű érzékelő lakosztályokhoz, valamint pilóta nélküli légi járművekhez vagy UGV -khez alkalmas.

Kommunikációs protokoll

1. Átviteli protokoll: aszinkron soros kommunikáció;
2. Port sebessége: 115200;
3. Adat bitjei: 10 rbit: egy induló bit, 8 adat bit, egy stop bit, érvénytelen ellenőrzés;
4. Adatszerkezet: Az adatok a fejléc bájtból, a parancsrészből, az adatok hosszából, a paraméter részből és a bájt ellenőrzéséből állnak;
5. Kommunikációs mód: A fővezérlés vezérlőparancsokat küld a vándorlógépnek, és a távolsági gép fogadja és végrehajtja az utasításokat. Vágó állapotban a vándorló gép a távolsági ciklusnak megfelelően elküldi a távolsági gép adatait és állapotát a felső számítógéphez. A kommunikációs formátumot és a parancstartalmat a következő táblázat tartalmazza.
A) A fő vezérlés küldése
Az elküldendő üzenet formátuma a következő:

STX0 CMD Len Data1H Data1L Chk

2. táblázat A küldött üzenet formátumának leírása

megrendelési szám név elmagyaráz kód megjegyzés
1 STX0 Üzenet indító zászlója A5 (H)
2 CMD CW Lásd a 3. táblázatot
3 Len DL Az összes bájt száma, kivéve a kezdési jelet, a parancsszót és az ellenőrző összeget
4 Datah paraméter Lásd a 3. táblázatot
5 érkezés
6 Chk XOR ellenőrzés Az érvényes bájt kivételével az összes többi bájt Xored

A parancsot az alábbiak szerint írják le:
3. táblázat A parancsok és az adatszavak leírása, amelyet a mester küldött a Ranging géphez

megrendelési szám CW funkció adatbájt megjegyzés hossz Példakód
1 0x00 megszűnik DATAH = 00 (H) DATAL = (H) A távolságmérő leállítja a mérést Hat bájt A5 00 02 00 A7
2 0x01 Egyszínű DATAH = 00 (H) DATAL = (H)
Hat bájt A5 01 02 00 00 A6
3 0x02 Folyamatos távolság DATAH = XX (H) DATAL = YY (H) Az adatok leírják a tartományidőszakot, az MS -ben Hat bájt A5 02 02 03 E8 4E (1Hz -es)
4 0x03 önellenőrzés DATAH = 00 (H) DATAL = (H)
Hat bájt A5 02 02 00 A4
5 0x04 Állítsa be a választáshoz legközelebbi távolságot DATAH = XX (H) DATAL = YY (H) Az adatok leírják a vak zóna értékét, az 1M egység Hat bájt A5 04 02 00 64 C7 (100 m a legközelebbi távolság)
6 0x06 Kumulatív számú fénykimenet lekérdezés DATAH = 00 (H) DATAL = (H) Kumulatív számú fénykimenet lekérdezés Hat bájt A5 06 02 00 A1
7 0x11 Az APD Power be van kapcsolva DATAH = 00 (H) DATAL = (H)
Hat bájt A5 11 02 00 B6
8 0x12 Az APD bekapcsolása ki van kapcsolva DATAH = 00 (H) DATAL = (H)
Hat bájt A5 12 02 00 B5
9 0xeb Számkérdezés DATAH = 00 (H) DATAL = (H) Számkérdezés Hat bájt A5 EB 02 00 00 4C

a) A fő vezérlés formátumot fogad
A kapott üzenet formátuma a következő:

STX0 CMD Len Adat Date0 Chk

megrendelési szám név elmagyaráz kód megjegyzés
1 STX0 Üzenet Start zászló 1 A5 (H)
2 CMD_JG Adatparancsszó Lásd az 5. táblázatot
3 Len DL Az összes bájt száma, kivéve a kezdési jelet, a parancsszót és az ellenőrző összeget
4 DN paraméter Lásd az 5. táblázatot
5 D0
6 Chk XOR ellenőrzés Az érvényes bájt kivételével az összes többi bájt Xored

Fő vezérlő fogadási állapot leírás:
Az 5. táblázat leírja a távolságvezérlőnek küldött adatszót a fővezérlőnek

megrendelési szám CW funkció adatbájt megjegyzés teljes hossza
1 0x00 megszűnik D1 = 00 (H) D0 = 00 (H)
Hat bájt
2 0x03 önellenőrzés D8 ~ D1 D8-D7: -5V feszültség, 0,01V.D6-D5 egység: Blind Spot érték, 1MD4 egység: APD nagyfeszültség-érték, V egység; D3: CHAR típus, jelezve az APD hőmérsékletet, egység: Celsius fok; D2-D1: +5 V feszültség, egység 0,01 V egység 0,01 V egység 12 bájt
3 0x04 Távolság a legközelebbi hozzáférési beállításhoz, M egység D1 D0 Az adatok leírják a legközelebbi távolsági értéket, az 1M egység; kezdje el a magas és a vége alacsony Hat bájt
4 0x06 Kumulatív számú fénykimenet lekérdezés D3 ~ d0 Az adatok kifejezik a lámpák számát, 4 bájtot, először a magas bájt Hét bájt
5 0x11 Az APD Power be van kapcsolva D1 = 00 (H) D0 = 00 (H) Az APD Power be van kapcsolva Hat bájt
6 0x12 APD kikapcsolása D1 = 00 (H) D0 = 00 (H) Az APD bekapcsolása ki van kapcsolva Hat bájt
7 0xed Dolgozó túlórák 0x00 0x00 A lézer lézer -védelem alatt van, és nem mérhető. Hat bájt
8 0xee Hatékonysági hibák 0x00 0x00
Hat bájt
9 0xef Soros kikötői kommunikációs időtúllépés 0x00 0x00
Hat bájt
10 0x01 Egytani tartomány mérés (egyetlen cél, nulla a második és a harmadik célhoz, nulla a harmadik célhoz a cél elején és végén) D9D8 D7 D6D5 D4 D3D2 D1 D0 D8-D6 Első cél távolság (0,1M egység) D5-D3 távolság a második célhoz (egység: 0,1m) D2-D0 harmadik cél távolság (0,1m egység) 3. A célok közelről a FARD9 (Bit7-bit0) zászló byte-ig tartanak: D9 a 7. pozíció, amely a főhullámot jelzi; 1: Van egy főhullám, 0: Nincs főhullám.d9 a 6. pozíció, amely az ECHO -t jelzi; 1: Van Echo, 0: Nincs echod9 Az ötödik helyzet jelzi a lézer állapotát; 1: Normál lézer, 0: A lézerfareD9 az időtúllépési zászló negyedik bitje, 1: Normál, 0: A TimeoutD9 érvénytelen a 3. helyzetben (1 -re állítva); D9 A második helyzet az APD állapotát jelzi; 1: Normál, 0: Az errord9 az első pozíció, amely jelzi, hogy van -e korábbi cél; 1: Van egy korábbi cél, 0: Nincs korábbi cél (a vak területen) .d9 A 0. bit azt jelzi, hogy van -e egy későbbi cél; 1: Van egy későbbi célpont, 0: Nincs későbbi cél (a cél a fő célpont után a következő célpont) 14 bájt
11 0x02 Folyamatos távolság (egyetlen cél, nulla a második és a harmadik célhoz, nulla a harmadik célhoz a cél elején és végén) D9 D8 D7 D6D5 D4D2 D1 D0 D8-D6 Első cél távolság (0,1M egység) D5-D3 távolság a második célhoz (egység: 0,1m) D2-D0 harmadik cél távolság (0,1m egység) 3. A célok közelről a FARD9 (Bit7-bit0) zászló byte-ig tartanak: A D9 a 7. bit, amely jelzi a főhullámot; 1: Van egy főhullám, 0: Nincs főhullám.d9 a 6. pozíció, amely az ECHO -t jelzi; 1: Van Echo, 0: Nincs echod9 Az ötödik helyzet jelzi a lézer állapotát; 1: Normál lézer, 0: A lézerfareD9 az időtúllépési zászló negyedik bitje, 1: Normál, 0: A TimeoutD9 érvénytelen a 3. helyzetben (1 -re állítva); D9 A második helyzet az APD állapotát jelzi; 1: Normál, 0: Az errord9 az első pozíció, amely jelzi, hogy van -e korábbi cél; 1: Van egy korábbi cél, 0: Nincs korábbi cél (a vak területen) .d9 A 0. bit azt jelzi, hogy van -e egy későbbi cél; 1: Van egy későbbi célpont, 0: Nincs későbbi cél (a cél a fő célpont után a következő célpont) 14 bájt
12 0xeb Számkérdezés D17 …… D0 D17 D16 D15 D14 D13 D12 teljes gépmodell kódolás11d10 termékszámd9 d6 szoftver verziód5 d4 apd numberd3 d2 lézer számverseny d1, d1, az FPGA D1 D1 D1. 22 bájt
Megjegyzés: ① Nem definiált adatok bájt/bit, az alapértelmezett érték 0;

Hot Tags: 7 km-es szembiztonsági lézeres távolságmérő modul (LRF), gyártók, beszállítók, gyár, Kína, Kínában készült, testreszabott, kiváló minőségű
Kapcsolódó kategória
Kérdés küldése
Kérdését az alábbi űrlapon adja meg. 24 órán belül válaszolunk.
X
Cookie-kat használunk, hogy jobb böngészési élményt kínáljunk, elemezzük a webhely forgalmát és személyre szabjuk a tartalmat. Az oldal használatával Ön elfogadja a cookie-k használatát. Adatvédelmi szabályzat
Elutasít Elfogadás